Les ESP.



Les microcontroleurs ESP se déclinent en ESP8266 et ESP32. Il s'agit de puces absolument minuscules de 5x5 mm en boitier QFN32 pour l'ESP8266 et de 6x6 mm en boitier QFN48 pour l'ESP32. Ces boitiers prévus pour un montage en surface ne peuvent être manipulés que par une chaine de montage robotisée, pas par nos gros doigts de bidouilleurs !
Heureusement il existe de nombreux modules qui, en plus de l'ESP, portent quelques composants annexes et dont les broches sont accessibles à nos fers à souder.


L'utilisation d'un ESP neuf nécessite de téléverser (Flasher) le micrologiciel par son port série via l'USB. Dès lors que l'ESP contient un micrologiciel ESPHome on peux remplacer celui-ci par WiFi (Mode OTA = Over the Air).
Le téléversement via l'USB se fait en allant sur web.esphome.io (Attention, avec Firefox il faut l'extension "WebSerial for Firefox")
Deux solutions :
- Écrire dans ESPHome device builder votre micrologiciel d'application qui contiendra les paramètres du réseau WiFi. Récupérer le fichier .bin et le flasher via l'USB.
- Sélectionner sur web.esphome.io la fonction "Prepare for first use" qui va flasher un micrologiciel de base. Quand la popup du téléchargement indique OK, débrancher le GPIO0 (Ou basculer l'interrupteur de "flashage" vers "normal") et faire un reset. Après quelques secondes continuer le processus qui va configurer le réseau WiFi via "Improv sérial"; cette étape est souvent capricieuse ... Ensuite ESPHome device builder trouvera cet ESP et proposera de l'adopter.

L'ESP8266 et l'ESP8285.

Un petit aperçu des différents modules est visible ici Deux modèles sont très courants.

ESP-01 et ESP-01S.

Cet ESP dispose de 4 GPIO utilisables : 0, 1 (Tx), 2, et 3 (Rx) Pour le premier flashage, utiliser cet adaptateur USB en shuntant impérativement les bornes GND et GPIO0 (1 et 3) Ou mieux, réaliser cet adaptateur avec interrupteur "Flashage / Normal" et poussoir de reset

Les fichiers KiCad et PDF sont disponibles sous licence


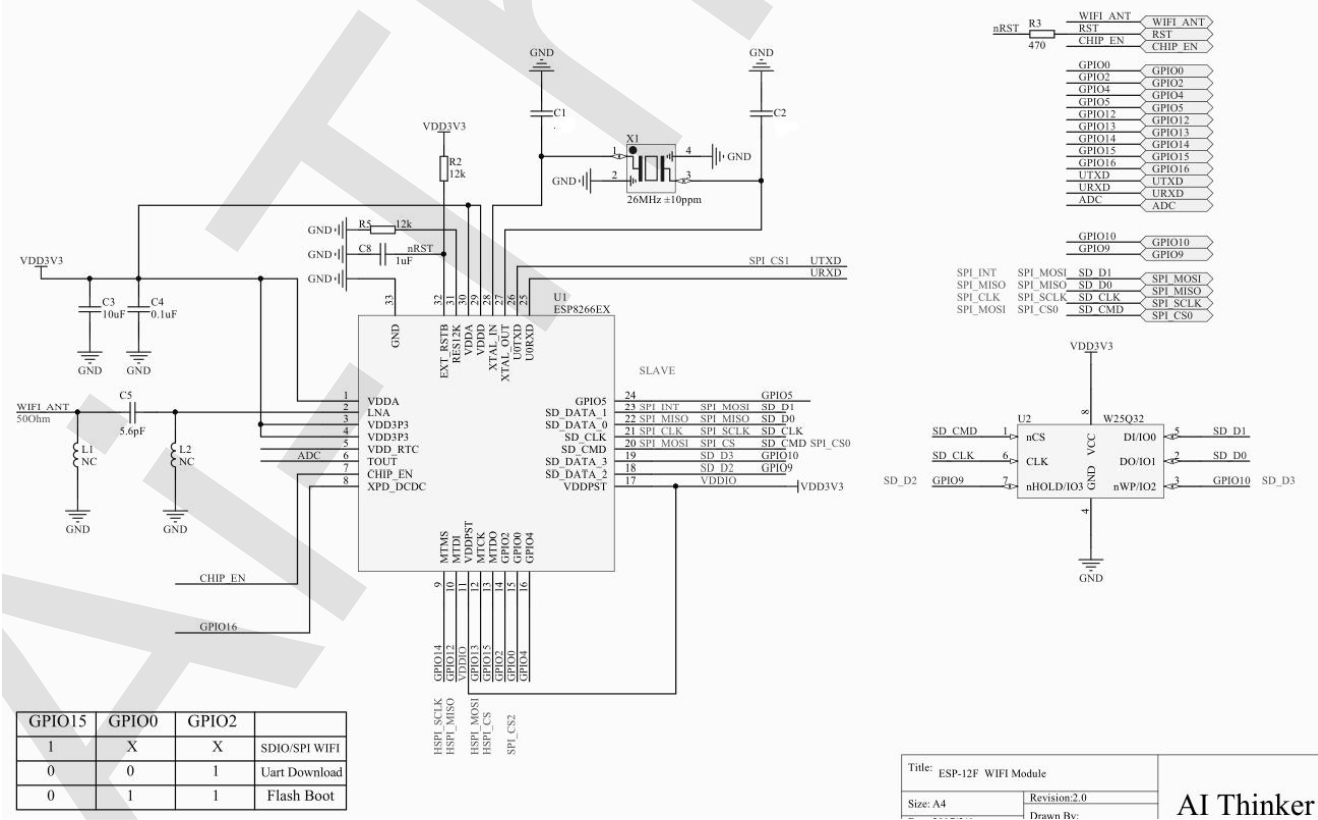
ESP-12F.

Cet ESP dispose de plus de 10 GPIO utilisables. Les GPIO 6 à 11 ne sont pas facilement accessible et certains sont utilisés en interne pour la mémoire flash.
Il faudra prévoir des résistances de 10 ou 12 kΩ entre :

- RESET et Vcc
- EN et Vcc
- GPIO0 et Vcc
- GPIO15 et GND


Attention certains modules chinois ne se réveillent pas après un deepsleep ! Pour corriger cela il faut souder une résistance d'environ 22 kΩ entre GPIO7 et Vcc.


La soudure en surface oblige à faire des circuits imprimés double-face, donc je monte systématiquement des broches droites mâles sur les ESP-12F
Il faut réaliser un adaptateur USB pour le premier flashage.

Les fichiers KiCad et PDF sont disponibles sous licence

Il sera également utile de réaliser une platine de test.

Les fichiers KiCad et PDF sont disponibles sous licence

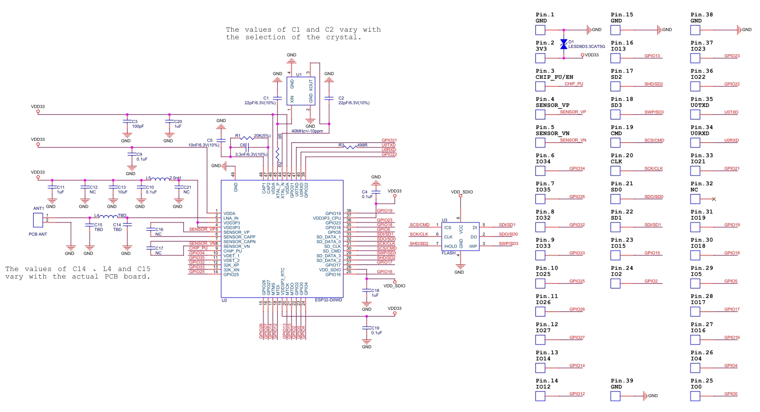
L'ESP32.

Un petit aperçu des différents modules est visible ici

ESP32-WROOM-32D.

Ce module possède 38 pins et expose tous les GPIOs. Les pins sont au pas de 1,27 mm et le soudage d'un connecteur est délicat. Normalement il est prévu pour un montage en surface.
Pour l'instant il faut voir comment le souder ...

ESP32-devkit-30p.

Cette carte de développement possède 30 pins, elle intègre un port USB avec convertisseur et un convertisseur 5v vers 3,3v.

Rédaction en cours ...