Le module d'entrée de maison.



Au départ, ce premier module était destiné à éclairer à la tombée du jour ma véranda d'entrée de maison avec un ruban de LEDs. Je me suis aperçu qu'il me fallait aussi détecter l'ouverture de la porte d'entrée pour l'alarme et connaitre la température pour prévenir le gel de mes citronniers ; c'est donc la version 2.

Pour réaliser ce module il suffisait au départ de 4 élements :

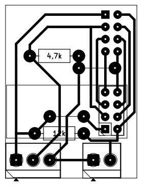
Pour la version 2 il faut ajouter 2 résistances de 12 et 4,7kΩ ainsi qu'un capteur de température Dallas DS18B20; j'ai choisi un modèle sous tube inox.

Le schéma est des plus simple ; La partie haute représente l'ajout de la version 2.


Dans un premier temps j'ai soudé les 3 composants de la version 2 directement sur les pins du connecteur de l'ESP sur la carte relais mais c'était un peu bidouilleux !
J'ai donc réalisé un petit C.I. qui s'intercale entre le module relais et l'ESP ; il supporte les résistances ainsi que des borniers, c'est nettement plus propre.
Attention le capteur de température doit être hors du boitier car l'intérieur est chauffé par l'alim ...
Le tout est monté dans une boite de type "plexo". Les modules d'alimentation sont fixés ensemble à la colle MS polymère. Et ... on fait bien attention avec le 220v !

Pour booter GPIO1 ne doit pas être tiré à la masse, donc l'ESP refuse de booter si le contact de porte est ouvert !


Les fichiers KiCad et PDF sont disponibles sous licence

Reste à écrire le fichier YAML de l'appareil dans ESPHome builder.

esphome:
  name: entree-maison
  friendly_name: Entrée maison

esp8266:
  board: esp01_1m

logger:
  esp8266_store_log_strings_in_flash: false

api:

ota:
  - platform: esphome

wifi:
  ssid: !secret wifi_ssid
  password: !secret wifi_password
  ap:
    ssid: "Entree_maison"

captive_portal:
    
# Relais d'allumage du ruban LED
switch:
  - platform: gpio
    id: relais_led
    name: relais_led
    pin: GPIO0
    icon: mdi:outdoor-lamp

# Capteur de température
one_wire:
  - platform: gpio
    pin: GPIO2

sensor:
  - platform: dallas_temp
    id: temperature
    name: temperature
    update_interval: 10min

# Capteur d'ouverture de porte
binary_sensor:
  - platform: gpio
    id: contact_porte
    name: contact_porte
    pin:
      number: GPIO1
      inverted: true
    icon: mdi:door-closed